Accueil / Technique [Electronique-Electrique]

[Laguna II] [Topic Unique] Régulateur / limiteur de vitesse

chichi1er
Modérateur PR
Message Lun 30 Avr, 2012 11:04
Salut,

Vous semblez préférer avoir une réponse, même si la personne vous répondant n'y connait rien.
Soit, je vais m'y coller....::malades_014::

Bravo pour votre montage ! Juste une remarque :
Les copeaux d'alu, avant d'être collés au dos des contacts du commodo, doivent avoir été en contact (durant tout une nuit au minimum !!) avec des cuisses de poulet rôti au bois de frêne. La conductivité, du fait de la graisse déposée par la peau du poulet, n'en sera que meilleure !
Bon appétit :wink:

Chichi1er...

PS : vous vouliez une réponse et des encouragements, je pense y avoir répondu :mrgreen: ::hello_002::
_________________
NOUVEAU:Adhérez à l'association et bénéficiez (entre autres) du prêt d'une "valise" Can Clip prête à l'emploi + notices Renault
Plus d'infos ici

Laguna III estate GT205ch - 4/09 (6/16->) - Suzuki Ignis Hybrid Pack - 1/19 (5/21->)
Ex
Polo 6R 1.6tdi 90ch Confort - 9/10 - 87Mkm (3/15->6/21) - C3 1.2i 83ch - 28Mkm (12/20->3/24)
Laguna II Estate 2.2 dCi Initiale - 4/02 - 106Mkm (8/03->6/11) - E91 330xda Luxe - 6/06 - 137Mkm (3/12->1/14)
Xsara 1.4i SX Pack Clim - 08/00 - 93Mkm (08/06->04/14) - Polo 9n3 1.4tdi 80ch Confortline - 6/07 - 102Mkm (3/14->4/15)
Xsara Picasso 1.6i16v Exclusive - 8/06 - 100Mkm (9/13->7/16) - Berlingo 1.9D Pack - 148Mkm (1/06->10/19)
Dernière édition par chichi1er le Lun 30 Avr, 2012 11:04; édité 2 fois
ok, merci de ta réponse, ça tombe bien, je mange du poulet ce midi, je m'en vais essayer de suite.....non mais serieusement, meme sans rien y connaitre, j'aurais pensé que depuis que j'ai posté ce message, j'aurai pu servir quelque chose, que quelqu'un m'aurait demandé un coup de main, j'ai juste eu l'impression de poster dans le vide et de ne servir a rien...
chichi1er
Modérateur PR
Message Lun 30 Avr, 2012 11:04
Je n'y connais rien en électronique et il semble que les "piliers" de ce topic ne trainent plus trop sur le forum :-/

Désolé de ne pouvoir t'aider :-?

Chichi1er...
_________________
NOUVEAU:Adhérez à l'association et bénéficiez (entre autres) du prêt d'une "valise" Can Clip prête à l'emploi + notices Renault
Plus d'infos ici

Laguna III estate GT205ch - 4/09 (6/16->) - Suzuki Ignis Hybrid Pack - 1/19 (5/21->)
Ex
Polo 6R 1.6tdi 90ch Confort - 9/10 - 87Mkm (3/15->6/21) - C3 1.2i 83ch - 28Mkm (12/20->3/24)
Laguna II Estate 2.2 dCi Initiale - 4/02 - 106Mkm (8/03->6/11) - E91 330xda Luxe - 6/06 - 137Mkm (3/12->1/14)
Xsara 1.4i SX Pack Clim - 08/00 - 93Mkm (08/06->04/14) - Polo 9n3 1.4tdi 80ch Confortline - 6/07 - 102Mkm (3/14->4/15)
Xsara Picasso 1.6i16v Exclusive - 8/06 - 100Mkm (9/13->7/16) - Berlingo 1.9D Pack - 148Mkm (1/06->10/19)
j2c
Membre d'honneur
Message Mer 02 Mai, 2012 07:05
Jeremie, c'est très gentil de ta part d'avoir passé un peu de temps à nous montrer ton montage..

Pourquoi je dis ça.. car quand on est en train de faire quelque chose, qu'on est pressé de voir le résultat.. on oublie souvent de faire des photos.

Ensuite, vient la présentation du truc.. et "euh, je me souviens plus trop"

Merci donc pour ta présentation.

Même si tu n'a pas de retours immédiats, tu peux continuer à poster.; ça servira toujours à quelqu'un .. maintenant ou dans 5 ans.. :cool2:


Quelques commentaires :
Il va falloir que tu préviennes les gens qui montent dans ta voiture "attention, quand tu veux augmenter le volume : pas sur le commodo => sinon c'est le mur".
Le jour où tu vends, tu le note en ROUGE dans la notice, et tu insistes bien.. (ça serait con qu'un mec fasse une "reprise de régulation" .; panique et écrase quelqu'un.
C'est une des raisons qui font que je ne voulais pas utiliser un commodo qui est utilisé pour autre chose.
_________________
Megane 3 TCE
Scenic 3 DCI
Kangoo 3 TCE
https://j2c.org
Planète Renault, on y vient pour l'info, on y reste pour les potos
Oui, c'est sur mais enfin faut quand même etre con pour ecraser quelqu'un suite a une reprise de regul, ça accelere pas si violemment que ça et puis dans tous les cas il suffit de toucher l'embrayage ou le frein pour tout arreter.

mais bon, il faudra que je modfifie les pictogrammes du comodo....

En tout cas, merci pour tes encouragements, ça fait plaisir !
j2c
Membre d'honneur
Message Mer 02 Mai, 2012 15:05
jeremie54600 a écrit:
il suffit de toucher l'embrayage ou le frein pour tout arreter.


oui, quand tu sais ce qui se passe... (et quand tu sais car c'est toi qui l'a fait..)
.. sauf que si tu passes le volant à quelqu'un il faut lui dire "il y a un régulateur.. c'est pas la voiture qui fait la conne toute seule.."..

Pourquoi je dis ça.. car certains n'ont pas forcément ton self controle.. et ne gardent pas forcément leur sang froid.. et donc c'est "panique à bord".. même quelques secondes.. ça peut suffire pour faire des conneries ;)

Et fort heureusement.. le régulateur ne fout pas tous les chevaux tout de suite.. :wink:

Oui, pour arrêter le régulateur : frein.. ou embrayage.. ou levier de vitesse..

Pour avoir fait un montage similaire au tiens (mais sans détourner la commande de l'autoradio qui me sert plus souvent que le régulateur), je me suis posé pas mal de questions sur le fonctionnement du bazar.. avant de me lancer et de lui faire confiance :wink:


avant de mettre un bouton 4 positions, j'avais commandé une commande de régulateur peugeot... que j'ai massacrée car j'ai pas réussi à utiliser le papier alu => je déconseille donc le truc, fais une adaptation des résistances au lieu d'essayer d'avoir une commande avec résistance 0.


Le plus simple est de partir sur un bouton 4 positions :

http://pics.j2c.org/2010_07_15/800_42491495710f484438cf0edf29374b71__MG_6559.jpg

jeremie54600 a écrit:
Régulateur ne fonctionne pas du tout ( capteur d' embrayage ?... à verifier si j'en ait un ou pas).


Il faut en mettre un s'il n'existe pas.. (et non faire le maraud à mettre un fil à la place => c'est un coup à défoncer l'embrayage et emballer le moteur).. (sauf boite automatique où ce contacteur ne sert à rien vu qu'il n'y a pas de pédale)

jeremie54600 a écrit:
la touche moins ne fonctionne pas et si je reste appuyé sur la touche, le voyant vert au tdb disparait...


j'en déduit que tu as un tableau de bord bas de gamme

tu as un court-circuit quelque part : l'arrêt de la régulation se fait en court circuitant la commande.

jeremie54600 a écrit:
Ce que j'aimerais savoir: Comment contrôler les valeurs une fois les resistances bien montées et tout

Il faudrait donc que tu prennes un ohmmètre pour vérifier la résistance obtenu par l'appui d'une des 4 touches.

jeremie54600 a écrit:
e fait de souder plusieurs résistances entre elles pour avoir la bonne valeur peut il influer sur le résultat ?

vu le courant qui passe dans le bazar.. pas de soucis de ce coté là.. tu peux faire des associations parallèle et série comme tu veux.
_________________
Megane 3 TCE
Scenic 3 DCI
Kangoo 3 TCE
https://j2c.org
Planète Renault, on y vient pour l'info, on y reste pour les potos
Bonjour

Désolé si la question a déjà été répondue mais impossible de trouver l'info (enfin, plusieurs informations contradictoires, en fait...) : j'ai une Laguna 2 prééquipée, si je remplace mon volant par un volant de Laguna 2 avec boutons de régulation, est-ce que tout va fonctionner directement ? (en imaginant que le bouton on/off tu TDB soit installé, bien sûr).

Je n'arrive pas à avoir de réponse claire et comme le volant coûte un certain prix j'aimerais pouvoir en être sûr...

Merci !
Bonjour à tous,

Je viens d'installer le régulateur de vitesse sur ma laguna 2 1.8l 16v de 2001 non cablé (grace à ce forum).
J'ai acheté un volants (avec bouton), un airbag, le contacteur tournant, le contacteur d'embrayage, et une pédale d'accélérateur avec le contacteur intégré. Prix: 180€
J'ai tout câblé grace au shéma trouvé sur infotech et.... ça fonctionne.

Petit problème: Pourquoi je n'ai pas le voyant allumé sur le TDB et pas le indications de vitesse sur le cadran?
J'ai entendu qu'il fallait peux être l'activer avec la valise chez Renault, mais il demande minimun 25€ et plus s'ils passent beaucoup de temps...
Quelqu'un a t-il une idée?

Merci pour vos réponse.
j2c
Membre d'honneur
Message Mer 25 Juil, 2012 07:07
C'est très surprenant.. Normalement le tableau de bord active tout seul.; Tu as un bas de gamme ou un haut de gamme (avec une matrice)
_________________
Megane 3 TCE
Scenic 3 DCI
Kangoo 3 TCE
https://j2c.org
Planète Renault, on y vient pour l'info, on y reste pour les potos
J'ai une Expression. Lors des test ( maintenir appuyé le commodo de l'ODB et en insérant la carte) le voyant du régulateur est bien allumé.
L'ancien propriétaire avait changé le TDB. Il est identique à J2c (dans sa configuratyion d'origine bien sur. :razz: )
C'est peux être un problème de câblage mais je ne pense pas, puisque le reg/lim fonctionne correctement.
j2c
Membre d'honneur
Message Ven 27 Juil, 2012 17:07
hum.. tu as un phase 2.. alors..

peut-être qu'un coup de valise est nécessaire.. je sais que mon compteur a été reprogrammé (pour avoir les bon km, mais aussi avec toutes les options que j'avais.. )
et sur le phase 2.. il y a l'option "présence du régulateur/limiteur"
_________________
Megane 3 TCE
Scenic 3 DCI
Kangoo 3 TCE
https://j2c.org
Planète Renault, on y vient pour l'info, on y reste pour les potos
Bonjour J2C,

Non ma laguna estr bien une phase 1, mais l'ancien propriétaire a eu des souci avec son TDB, donc renault lui à changer par celui de la phase 2.
Je passerai un coup de valise et je vous tiens au courant.

Merci des conseils.
Bonjour à tous :)

J'ai monté grâce au topic le régulateur de vitesse sur ma laguna 2 1.8 16v dynamique non-précablé de 2001 mais j'ai un problème je n'ai aucun voyant qui s'allume et le limiteur régulateur ne fonctionne pas j'ai un compteur haut de gamme avec matrice

es-ce qu'il faut ativer la fonction sur le calculateur pour que sa fonctionne ?
Bonjour mk-pro-race

Je pense que nous sommes dans la même configuration.
J'ai du activé l'affichage du régulateur à l'aide de la valise Renault. (Activation dans le menu TBD). Il n'y a que certains garagiste et les garages Renault qui la possède. environ un 50€.
Un amis garagiste utilise cette valise: temps d'activation 2 min.
Merci charly 67120 :D

Mais moi même si j'ai pas les voyants et la consigne le regulateur ou limiteur ne fonctionne pas pourtant j'ai tout verifier j'ai monter un volant origine avec les boutons une pedale point dur le capteur embrayage ...

Tu pense que si j'active la fonction sur le calculateur chez renault sa marchera ?

Merci
J'ai également mis un volant d'origine ainsi et les différents contacteur. J'ai également une compteur de la phase 2 avec le cadran de l'odb au milieu.
Le Régulateur de vitesse a immédiatement fonctionné malgré les voyants éteints, donc je ne pense pas qu'activé la fonction résoiudra le problème. Par contre lors de l'activation, le garagiste verra les défauts présent. Est tu sur de ton câblage? dès que je retrouve le shéma d'origine pris de chez renault, je l'envoi!!
Je sais que sur le contacteur d'embrayage tu peux régler sa hauteur. Il faut un petit peu forcer.
J'ai déja verifié le cablage mais je vais denouveau le contrôler ainsi que les connections par contre sur les 2 fils des boutons y a t-il une polarité au branchement ?

J'ai vue que l'ancien proprietaire du vehicule à fait changer le calculateur 3 fois chez renault celà peut-il jouer surl le fait que le regulateur limiteur ne fonctionne pas ?

Merci
Dernière édition par mk-pro-race le Mar 22 Jan, 2013 13:01; édité 1 fois
j2c
Membre d'honneur
Message Mar 22 Jan, 2013 13:01
mk-pro-race a écrit:
Tu pense que si j'active la fonction sur le calculateur chez renault sa marchera ?


Non, il n'y a rien à activer à coup de valise.. dans le calculateur.. :nonnon:

Il n'y a que le compteur qui peut ne pas forcément prendre en compte le changement (essentiellement ceux de phase 2 qui ont une configuration manuelle sur le sujet)
_________________
Megane 3 TCE
Scenic 3 DCI
Kangoo 3 TCE
https://j2c.org
Planète Renault, on y vient pour l'info, on y reste pour les potos
mk-pro-race a écrit:
J'ai déja verifié le cablage mais je vais denouveau le contrôler ainsi que les connections par contre sur les 2 fils des boutons y a t-il une polarité au branchement ?

J'ai vue que l'ancien proprietaire du vehicule à fait changer le calculateur 3 fois chez renault celà peut-il jouer surl le fait que le regulateur limiteur ne fonctionne pas ?

Merci


Oui, il y a un des deux fil qui va à la masse.
Comment savoir lequel va à la masse ? Moi j'en est branché un sur E1 et l'autre sur F1
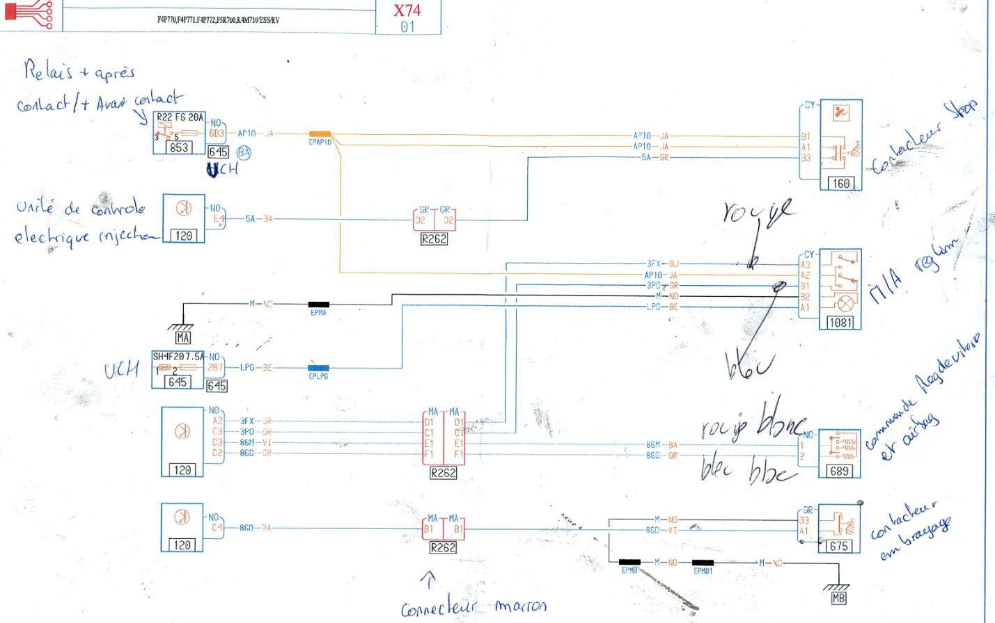
Ci-dessous le shéma de montage. ( Faites abstraction des couleurs de câble noté, c'est pour que je m'en sorte)
J'ai tout du câblé a partir de connecteur R262 sauf le câble pour le contacteur d'embrayage.
Effectivement il n'y a pas de masse. Erratum!!
Mais comme les boutons fonctionne par résistance, essaye de les inverser....

clic pour agrandir

Ce câblage est pour les moteurs 1.8 16v
Dernière édition par Charly67120 le Mar 22 Jan, 2013 14:01; édité 1 fois
Encors merci charly 67120 pour ton schéma :) je voulais savoir le connecteur 120 sur le schéma est le connecteur du calculateur ?
Dernière édition par mk-pro-race le Mar 22 Jan, 2013 18:01; édité 1 fois
mk-pro-race a écrit:
Encors merci charly 67120 pour ton schéma :) je voulais savoir le connecteur 120 sur le schéma est le connecteur du calculateur ?


Oui c'est le calculateur. Et le R262 est le gros connecteur marron situé sous la batterie. Pour moi la câblage du calculateur au connecteur R262 était déja existant.
j2c
Membre d'honneur
Message Mer 23 Jan, 2013 08:01
120 c'est le calculateur d'injection :wink:

attention, il ne faut jamais se baser sur les couleurs d'un plan..

suivant l'année, la laguna II a vu ses couleurs changer. :aieu:
_________________
Megane 3 TCE
Scenic 3 DCI
Kangoo 3 TCE
https://j2c.org
Planète Renault, on y vient pour l'info, on y reste pour les potos
Du nouveau :) , J'ai verifié le cablage ce matin avec le plan de charly67120 et j'ai vue qu'il y'avait pas de contact au niveaux du branchement des boutons du regulateur.... :-?

Après avoir rêgler le problème, j'ai testé et le régulateur/limiteur fonctionne enfin :D mais par contre pas de voyant ni affichage de la consigne... J'ai donc reussi à avoir un rendez-vous cette après midi chez renault qui m'on reconfigurer le tableau de bord et voilà maintenant tout fonctionne parfaitement :D

Encors un grand merci à vous tous :)
chichi1er
Modérateur PR
Message Mer 23 Jan, 2013 22:01
Super, bonne nouvelle :wink:
_________________
NOUVEAU:Adhérez à l'association et bénéficiez (entre autres) du prêt d'une "valise" Can Clip prête à l'emploi + notices Renault
Plus d'infos ici

Laguna III estate GT205ch - 4/09 (6/16->) - Suzuki Ignis Hybrid Pack - 1/19 (5/21->)
Ex
Polo 6R 1.6tdi 90ch Confort - 9/10 - 87Mkm (3/15->6/21) - C3 1.2i 83ch - 28Mkm (12/20->3/24)
Laguna II Estate 2.2 dCi Initiale - 4/02 - 106Mkm (8/03->6/11) - E91 330xda Luxe - 6/06 - 137Mkm (3/12->1/14)
Xsara 1.4i SX Pack Clim - 08/00 - 93Mkm (08/06->04/14) - Polo 9n3 1.4tdi 80ch Confortline - 6/07 - 102Mkm (3/14->4/15)
Xsara Picasso 1.6i16v Exclusive - 8/06 - 100Mkm (9/13->7/16) - Berlingo 1.9D Pack - 148Mkm (1/06->10/19)
bonjour
petite question si je monte un volant avec inters régulateur , rien d'autre a changer , ma laguna 2002 et précablé , pour le reste j'ai compris en lisant,
les réponses sur le forum , le seul hic ses le volant et je pense en dessous le volant rien d'autre a changer ses bien cela !je sort le mien et je monte un avec les inters ,
avant bien sur débrancher la batterie pendant une 1/2 , merci pour les conseils a+ louis
j2c
Membre d'honneur
Message Mar 19 Fev, 2013 08:02
tu peux faire des photos ?

en plus du volant, je pense que tu vas devoir remplacer le contact tournant; (qui permet sur ta voiture de relier le klaxon et l'airbag à la voiture.. et qui devra comporter 2 contacts de plus pour les boutons du régulateur)

Il faudra également rajouter un capteur "embrayage haut".

pour ma part, je n'ai pas installé le volant, j'ai fabriqué un joystick à coté, car je ne souhaite pas perdre mon volant avec gros boudin (spécifique au dynamique).. et me perd avec la logique de bouton sur le volant.. (il faut jouer avec main gauche main droite, et des fois ça fait pas ce que je veux, alors qu'avec le joystick, il n'y a qu'une main qui bosse.)
_________________
Megane 3 TCE
Scenic 3 DCI
Kangoo 3 TCE
https://j2c.org
Planète Renault, on y vient pour l'info, on y reste pour les potos
salut J2C
merci pour la réponse pour le contact tournant sa dois pas trop posé problème pour le démonter, le plus dur c'est de le trouver en casse ou chez un particulier ,comme je suis très maniaque sur les voiture j'aime bien monter de l'origine , et j'ai vu aussi qu'il faut changer la pédale accélérateur ! ben je ne suis pas pressé chaque chose en sont temps
pour les photos il faut que ma fille arrive pour récupéré l'appareil :wink:

PS
faut il monter aussi cette pédale photo! 2é y a t'il un risque de débrancher la batterie a part de refaire le code radio merci :lol:

http://img163.imageshack.us/img163/8041/3433290047973211.jpg
Dernière édition par louis le Mer 20 Fev, 2013 18:02; édité 2 fois
j2c
Membre d'honneur
Message Jeu 21 Fev, 2013 09:02
pour la pédale d'accélérateur, elle ne sera intéressante que pour le limiteur.. (pour le point dur), certains arrivent à simuler le point dur sans remplacer la pédale..

mais vu le prix de l'occaz.. je me suis pas géné, je l'ai remplacée (en plus la mienne avait un problème).


Par contre, j'attire ton attention, faut ça moteur froid :wink: il y a 3 vis de 10 à démonter.. et ta main passera à coté du tuyau du circuit de chauffage habitacle.. brulures assurées si ton moteur est chaud :wink:

Pour le contacteur tournant, tu as du le lire sur le topic.. le soucis c'est qu'il doit être bien centré.. si tu fais un tour de trop dans un sens ou dans l'autre et que tu le montes.. tu risques de tout déchirer quand tu tournera le volant. :wink:
_________________
Megane 3 TCE
Scenic 3 DCI
Kangoo 3 TCE
https://j2c.org
Planète Renault, on y vient pour l'info, on y reste pour les potos
j2c a écrit:
pour la pédale d'accélérateur, elle ne sera intéressante que pour le limiteur.. (pour le point dur), certains arrivent à simuler le point dur sans remplacer la pédale..

mais vu le prix de l'occaz.. je me suis pas géné, je l'ai remplacée (en plus la mienne avait un problème).


Par contre, j'attire ton attention, faut ça moteur froid :wink: il y a 3 vis de 10 à démonter.. et ta main passera à coté du tuyau du circuit de chauffage habitacle.. brulures assurées si ton moteur est chaud :wink:

Pour le contacteur tournant, tu as du le lire sur le topic.. le soucis c'est qu'il doit être bien centré.. si tu fais un tour de trop dans un sens ou dans l'autre et que tu le montes.. tu risques de tout déchirer quand tu tournera le volant. :wink:


salut et merci j2c
pour la pedale 20€
le contact tournant 20€ !

pour la pedale je leve la mienne et je mais l'autre , rien d'autre afaire quetion branchement !
je pense que débrancher la batterie ne pose pas de probleme a les l'éctronique !! encor merci a+ louis :wink:
Dernière édition par louis le Jeu 21 Fev, 2013 13:02; édité 1 fois
mais vu le prix de l'occaz.. je me suis pas géné, je l'ai remplacée (en plus la mienne avait un problème
______________________________________________________________
bonjour j2c
question câblage y at il quelque chose a rajouter a la pédale ou bien un simple échange suffi merci a+ :wink:
PS
j'ai trouvé ca sur le bon coin ; quelqun peu me dire si ses le bon capteur tournant pour le regulateur laguna2 merci :wink:
Dernière édition par louis le Sam 23 Fev, 2013 14:02; édité 1 fois
bonjour a tous
alors voila je dois acheter le capteur tournant pour laguna 2 , comment voir la différence entre un normal et un avec régulateur , un gars ma donné une référence mais il doute ,
voici pastille jaune en bas a droite
202 943
8200 004 642/-B
344251P5VAXGAY1
A07
1103 300502
et il bon ou non !
si vous pouvez me répondre assez vite ca urge , merci a vous tous
cdlt louis

ps comment voir de visuel le bon avec regul doit il y avoir quelles choses qui y a en plus d'un normal sans regul
Dernière édition par louis le Lun 25 Fev, 2013 08:02; édité 1 fois
j2c
Membre d'honneur
Message Lun 25 Fev, 2013 12:02
louis a écrit:
pour la pedale je leve la mienne et je mais l'autre , rien d'autre afaire quetion branchement !


aucune modification de câblage à faire : c'est la même pédale, la même électronique.. juste que dans une, il y a un point dur mécanique en plus :) ça se remplace en 10 minutes (quand le moteur est froid;. sinon AILLEUUUU)

aucune idée de la référence du contacteur tournant, faut aller chez Renault avec un VF d'une voiture munie d'un régulateur.
_________________
Megane 3 TCE
Scenic 3 DCI
Kangoo 3 TCE
https://j2c.org
Planète Renault, on y vient pour l'info, on y reste pour les potos
j2c a écrit:
louis a écrit:
pour la pedale je leve la mienne et je mais l'autre , rien d'autre afaire quetion branchement !


aucune modification de câblage à faire : c'est la même pédale, la même électronique.. juste que dans une, il y a un point dur mécanique en plus :) ça se remplace en 10 minutes (quand le moteur est froid;. sinon AILLEUUUU)

aucune idée de la référence du contacteur tournant, faut aller chez Renault avec un VF d'une voiture munie d'un régulateur.

salut
merci j2c
pour le contacteur j'ai trouver quelqun qui le vend car sa voiture eté monter avec regul
cdlt :wink:
j2c
Membre d'honneur
Message Lun 25 Fev, 2013 15:02
super, ça avance :)
_________________
Megane 3 TCE
Scenic 3 DCI
Kangoo 3 TCE
https://j2c.org
Planète Renault, on y vient pour l'info, on y reste pour les potos
voila 2 photos a confirmé
ont les vois pas mais au fond il y a 2 piste en cuivre :wink:

http://img198.imageshack.us/img198/8440/dsc01128oxm.jpg

http://img195.imageshack.us/img195/6762/dsc01129rn.jpg

en fait normalement il doit y avoir 3 câbles ou 4 qui et fixé sur le boîtier tournant , si quelqu'un peu me répondre savoir si ces le bon , sinon je le retourne merci a tous :wink:
Dernière édition par louis le Mar 26 Fev, 2013 13:02; édité 2 fois
bonsoir
je crois que je me suis fais baisé le contacteur viens d'une 1.9 diesel
et la ont viens de me dire que se n'ai pas le même que l'essence peu ton avoir une confirmation sur le contacteur , car il et vrait qu'il manque une fiche noire a+ louis
up
personnes :nonnon: :cry:
j2c
Membre d'honneur
Message Mer 27 Fev, 2013 12:02
je vois pas pourquoi ça serait différent sur une essence ?

Le contacteur tournant, est un truc qui permet de faire passer une info multiplexée sur 2 fils.
_________________
Megane 3 TCE
Scenic 3 DCI
Kangoo 3 TCE
https://j2c.org
Planète Renault, on y vient pour l'info, on y reste pour les potos


Sauter vers: